您好,欢迎进入江苏雷米仪表有限公司官网!

江苏雷米仪表有限公司

一站式提供商

提供设计,生产,安装,售后服务一条龙服务

13347962632
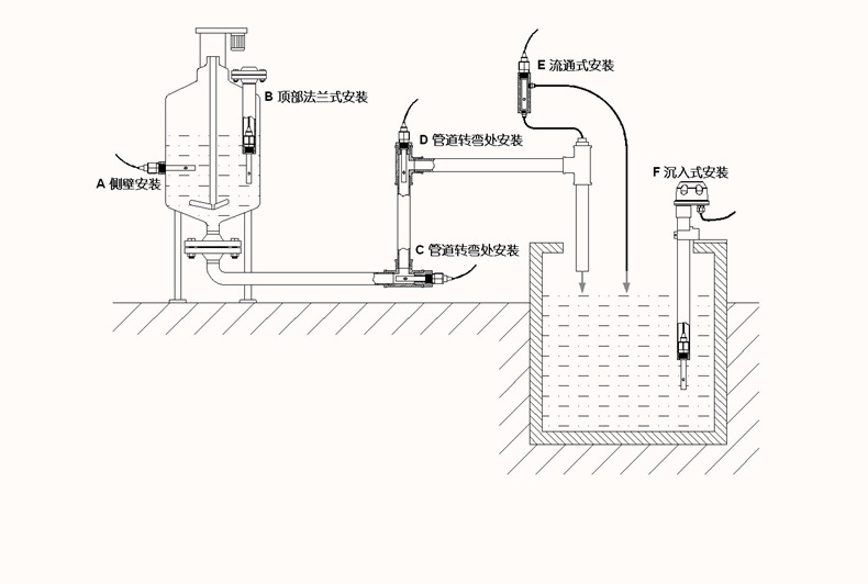
水氧量检测仪
发布时间:2020-03-12 18:16:44浏览次数:
0517-86890949